Warenkorb

Es gibt keine Treffer zu Ihrer Suche

121470

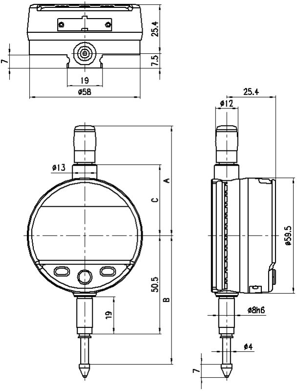
Messuhr digital S_DIAL WORK NANO / NANO SMART IP54

SwissMade - Garantie 2 Jahre
Programmierbare Digitalmessuhr mit Gehäuse aus Aluminium. Befestigungsschaft Ø 8-h6, auswechselbare Tastspitzen M2.5, Betrieb über Signalleitung Power auf USB oder RS-232 ermöglicht den Einsatz ohne Batterie.

Ausführungen:
121470.0100/.0300: Datenausgang: Proximity, Power
121470.0200/.0250/.0400/.0450: Datenausgang: Proximity, Power, Bluetooth® SMART

Typ S: Standard

Merkmale:
  • LCD Anzeige 270° drehbar
  • Umschaltung mm / Zoll
  • Nullsetzen der Anzeige
  • PRESET (Massvoreinstellung)
  • REF I / REF II (Referenzen)
  • TOL (Toleranzeingabe)
  • MAX / MIN / DELTA Funktion
  • Umrechnungsfaktor
  • Umkehrung Messrichtung
  • Programmierbare Taste (Funktionen)
  • Konfigurierbar über PC

Lieferumfang:
Geliefert in Transportverpackung inkl. Prüfbericht.

Passende Messeinsätze:
124008 Messeinsätze M2.5 FUTURO
124010 Messeinsätze M2.5
710140 Messeinsatz M 2.5 VOH
735820 Polymer-Messeinsatz, TECHNIWATCH

Passende Batterien:
1 Stück 155050.1400 - CR2032 / 3.0 V (im Lieferumfang enthalten)
6 gefundene Artikel
FILTER

alle Filter anzeigen
Typ
Typ

Filter löschen
Messweg [mm]
Messweg [mm]

Filter löschen
Auflösung [mm]
Auflösung [mm]

Filter löschen
Messkraft [N]
Messkraft [N]

Filter löschen
Artikel Nr
Bezeichnung
Typ
S
Messweg [mm]
12.5 - 25
Auflösung [mm]
0.0001
Messkraft [N]
0.65...0.90 - 0.65...1.15
Genauigkeit [µm]
1.2 - 1.6
Schutzart
IP54
Ziffernhöhe [mm]
11
Beschreibung
NANO - NANO ANALOG
A [mm]
56.7 - 69.7
B [mm]
66.1 - 78.5
C [mm]
36.6 - 49.4
Datenausgang
Proximity, Power - Proximity, Power, Bluetooth®
Ausführung
Standard
Netto HUF
zzgl. Versand
Staffelung
Netto HUF
zzgl. Versand
Menge
121470.0100
Messuhr digital SYLVAC S_DIAL WORK NANO Proximity + Power
12.5 / 0.0001 / 1.2 µm / 0.65...0.9 N
S
12.5
0.0001
0.65...0.90
Artikel Details Zubehör Messeinsätze Batterien
Loading...
Loading...
Loading...
121470.0200
Messuhr digital SYLVAC S_DIAL WORK NANO Proximity + Power + Bluetooth
12.5 / 0.0001 / 1.2 µm /0.65...0.9N / BT
S
12.5
0.0001
0.65...0.90
Artikel Details Zubehör Messeinsätze Batterien
Loading...
Loading...
Loading...
121470.0250
Messuhr digital SYLVAC S_DIAL WORK NANO ANALOG Proximity + Power + Bluetooth
12.5 / 0.0001 / 1.2µm / 0.65...0.9N / BT
S
12.5
0.0001
0.65...0.90
Artikel Details Zubehör Messeinsätze Batterien
Loading...
Loading...
Loading...
121470.0300
Messuhr digital SYLVAC S_DIAL WORK NANO Proximity + Power
25 / 0.0001 / 1.6 µm / 0.65...1.15 N
S
25
0.0001
0.65...1.15
Artikel Details Zubehör Messeinsätze Batterien
Loading...
Loading...
Loading...
121470.0400
Messuhr digital SYLVAC S_DIAL WORK NANO Proximity + Power + Bluetooth
25 / 0.0001 / 1.6 µm / 0.65...1.15 N /BT
S
25
0.0001
0.65...1.15
Artikel Details Zubehör Messeinsätze Batterien
Loading...
Loading...
Loading...
121470.0450
Messuhr digital SYLVAC S_DIAL WORK NANO ANALOG Proximity + Power + Bluetooth
25 / 0.0001 / 1.6 µm / 0.65...1.15N / BT
S
25
0.0001
0.65...1.15
Artikel Details Zubehör Messeinsätze Batterien
Loading...
Loading...
Loading...
6 gefundene Artikel
zzgl.
pro